• Fast delivery
  • Free shipping from €75,-
  • More than 5000 parts in stock

Honda C310s

Honda C310s

Search easily for the Dutch Honda C310s parts by partslist

The first moped released by Honda in the Netherlands in 1963! Specifically made for the dutch market with pedals, in a factory in Belgium. This partslist is for the S model which came on the market in 1967, with a new carburateur, engine upgrades and more!

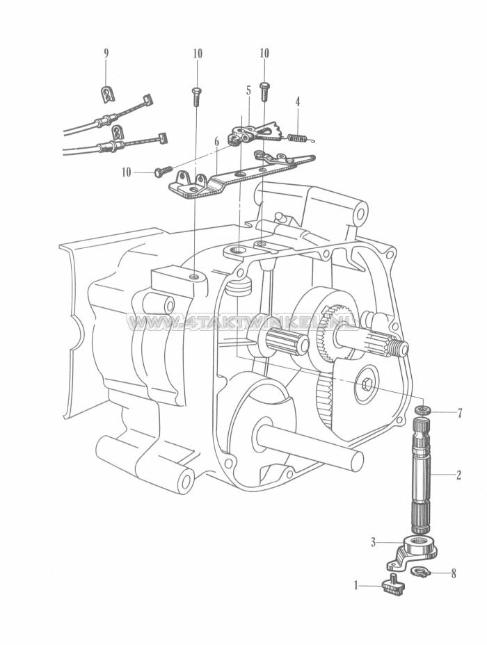
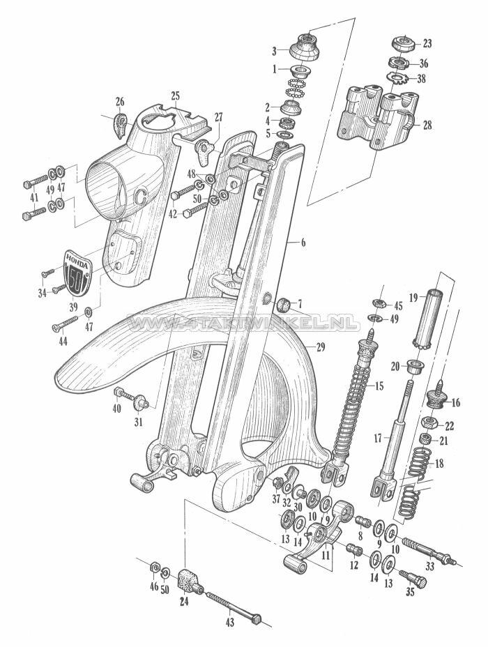
Click on the drawing for the list of corresponding parts.

Honda C310a

The first Honda moped on the Dutch market, introduced as the Honda C310a in 1963. It was specially developed for the European market and produced in Belgium. This model caused a lot of confusion among bicycle mechanics, as the four-stroke engine was completely different from the usual two-stroke mopeds. With a three-speed semi-automatic transmission and excellent fuel efficiency, it became especially popular among postal workers, who bought it in large numbers. However, it was not particularly popular among young riders, as two-stroke mopeds remained dominant.

Honda C310s

In 1967, the successor to the C310a was introduced: the C310s. An external oil line and valves angled toward the piston, combined with a different carburetor, resulted in more power. The timing mechanism could be easily adjusted, allowing speeds of up to 60 km/h.

Many C310 parts have become rare over time. Components such as the leg shield, taillight, tank emblems, and exhaust are difficult to find. Engine parts are still available, but unfortunately, these pushrod engines are not interchangeable with the modern SS50 or C50 engines.

We use cookies to enhance your browsing experience and analyze our website traffic. By clicking ‘Accept,’ you agree to our use of cookies.
Accept selected cookies Reject cookies