• Fast delivery
  • Free shipping from €75,-
  • More than 5000 parts in stock

Honda Monkey Z50a K2

Honda Monkey Z50a K2

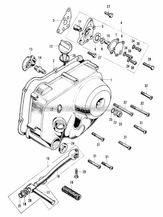
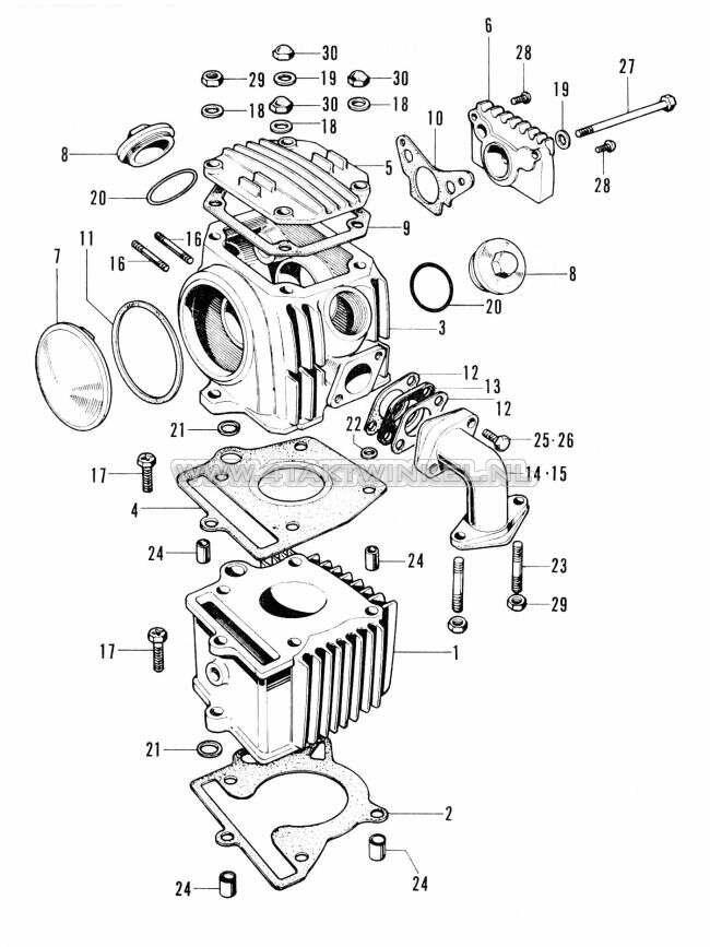
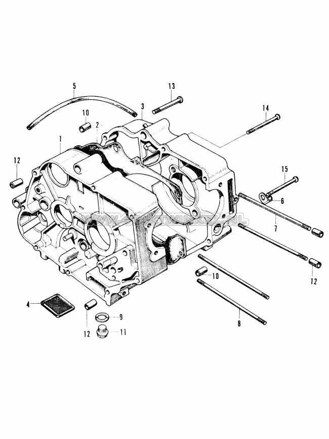
Search easily for Honda Z50a parts by partslist

You can regonize the Z50a K2 on it's hardtail frame, so no shocks, but it does have front and rear lights. 

Click on the drawing for the list of corresponding parts.

Honda Monkey


Foto

The smallest model in Honda’s lineup. What started as an attraction for children in an amusement park in 1961 grew into a full-fledged lineup of mopeds that guarantee smiles not only for the rider but also for bystanders. Introduced as the CZ100 in 1964, but quickly changed to the Z50M in name and model.

Foto

The Z50M can be roughly distinguished into three models: The European Z50M, which was exported to Europe (France) in relatively large numbers in 1967. This model is recognizable by its foldable seat, 5-inch wheels, and large 5-inch headlamp with yellow light and “lunchbox” exhaust. The Japanese Z50M with the same specifications but with a smaller headlamp. The general export model, which was exported to the UK, Canada, and Australia with a different low-mounted exhaust.

Foto

In 1969, Honda introduced the "second generation" Monkey; the Z50A with 8-inch wheels. This time also available in the USA. The model was initially delivered without lighting and in many countries, such as America, had no registration. This was resolved in 1970. The Z50A, due to its hardtail design, suffered a lot from frames with cracks, and Honda decided to bring a third generation to the market in 1973.

Foto

In Europe and Japan, this was marketed as the Z50J, while America retained the name Z50A Mini Trail. The Z50J features standard suspension and remained on the market in various variants in Europe until 1999. Among others, Finland, Germany, and France received different versions. The Z50J was also produced as a Gorilla version and as a Monkey RT.

Foto

In 2006, Honda introduced a special edition to celebrate the 40th anniversary of the Monkey. This is the last version with a carburetor.

Foto

In 2019, Honda launched the most recent version of the Monkey. With 125cc, a lightweight motorcycle that was not released as a moped.
 

History of Monkey
1961 "Monkey Z100" is produced as a ride for the Tama Tech amusement park. (Not for sale).
1963 The first commercial vehicle "Monkey CZ100" is produced for export.
1967 Launch of the "Monkey Z50M," the first domestic model approved for public road use. Front and rear wheel size 5 inches.
1969 Release of the "Monkey Z50A" with front wheel suspension and front and rear wheels expanded to 8 inches.
1974 Fully redesigned "Monkey Z50J" released. Equipped with front and rear suspension.
1978 Released with teardrop-shaped tanks and larger seating.
1985 Equipped with a new engine. Increased maximum output and fuel efficiency, adopts a 4-speed manual transmission.
1999 Released in accordance with domestic emissions regulations (primary) due to changes in carburetor settings.
2006 "Monkey 40th Anniversary Special" launched to commemorate the 40th anniversary of Monkey.
2009 Released for the first time in 30 years, renewed design and improved environmental performance.
2019 A new Monkey 125 came to market as a lightweight motorcycle based on the Honda MSX.

If you are interested in a Japanese Monkey, take a look at our Japanese import or check out import on request!

We use cookies to enhance your browsing experience and analyze our website traffic. By clicking ‘Accept,’ you agree to our use of cookies.
Accept selected cookies Reject cookies