• Fast delivery
  • Free shipping from €75,-
  • More than 5000 parts in stock

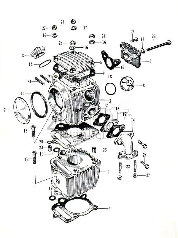
E1 - Cylinder - Cylinder Head

E1 - Cylinder - Cylinder Head
Collapse Expand