The Honda SS50ZK1
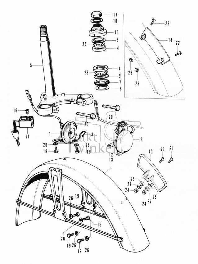
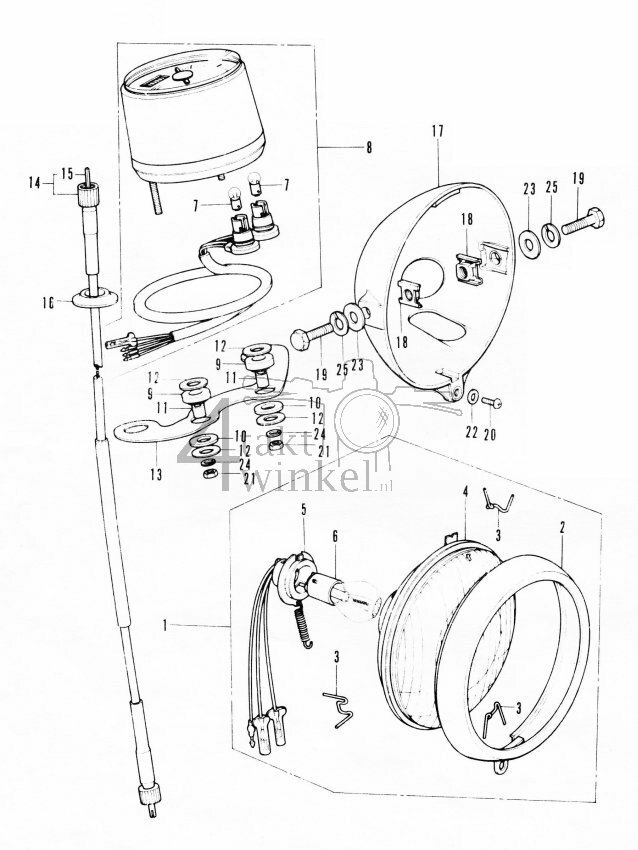
The SS50Z K1 is the first, and perhaps the most beautiful, SS50 for the Netherlands. The K0 and K2 were more or less skipped in the Netherlands but did appear in other countries. The K1 features a gray frame and candy-colored paint on the tank. The tank was designed without an edge, and the frame number has six digits. In the Netherlands, this moped had a white rear fender, ULO rear light, yellow plate, and pedals. The SS50K1 was introduced as a moped and was sold in the Netherlands, Belgium, England, and France. However, motorbike editions (faster versions) also exist in countries like Japan!
SS50ZK1-E (England)
This model featured a chrome rear fender, pedals, and a seat without a tail section. Frame numbers: SS50z-212561 and higher
SS50ZK1-B (Belgium)
This version featured a chrome rear fender with a Stanley rear light. Otherwise, this moped was identical to the Dutch version, minus the Dutch pedals, ULO rear light, and the distinctive yellow plate. The speed limitation was the same! Frame numbers: SS50z-205811 and higher
SS50ZK1-H (Netherlands)
The Dutch SS50K1 with ULO, white rear fender, pedals, and yellow plate. Frame numbers: SS50z-204801 and higher
SS50ZK1-F (French)
This model came with a chrome rear fender, but now the seat had a tail section! It also had pedals but no front plate. Frame numbers: SS50z-205311 and higher
