• Fast delivery
  • Free shipping from €75,-
  • More than 5000 parts in stock

Honda SS50z k3

Honda SS50z k3

This SS50Z K3 version can be recognized by a black frame, the well-known orange, green or yellow tank with striping, the high muffler and a long double saddle. Like to know more details? Then take a look at the bottom of this page.

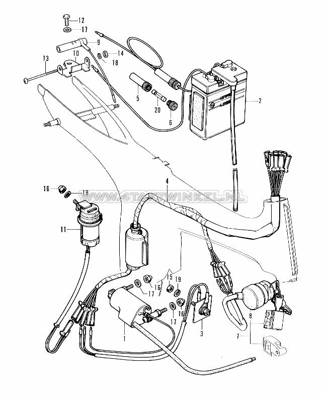
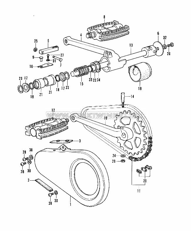
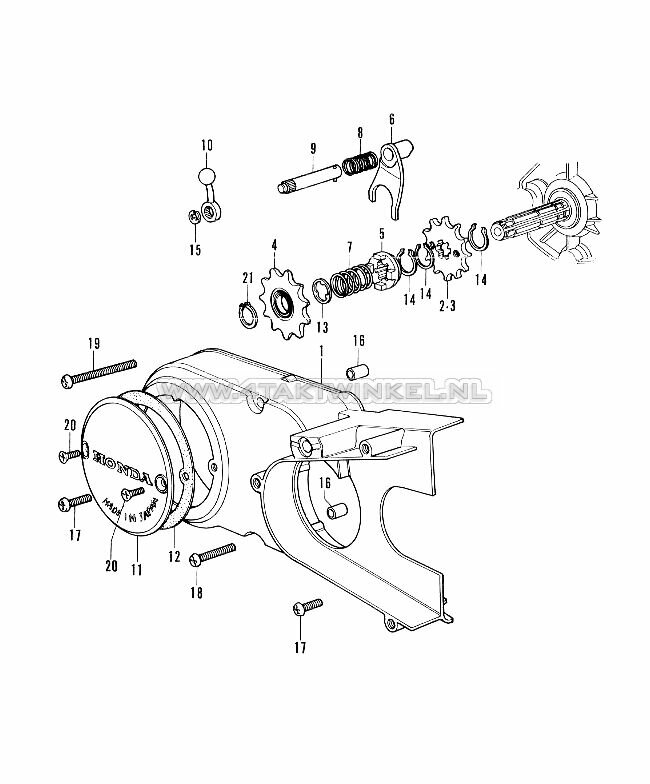
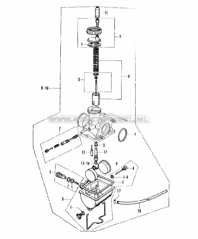
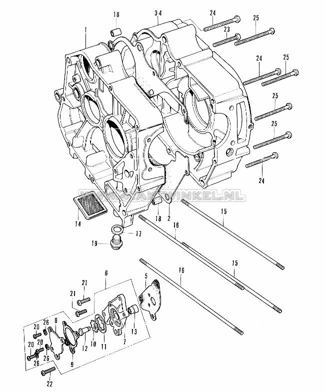
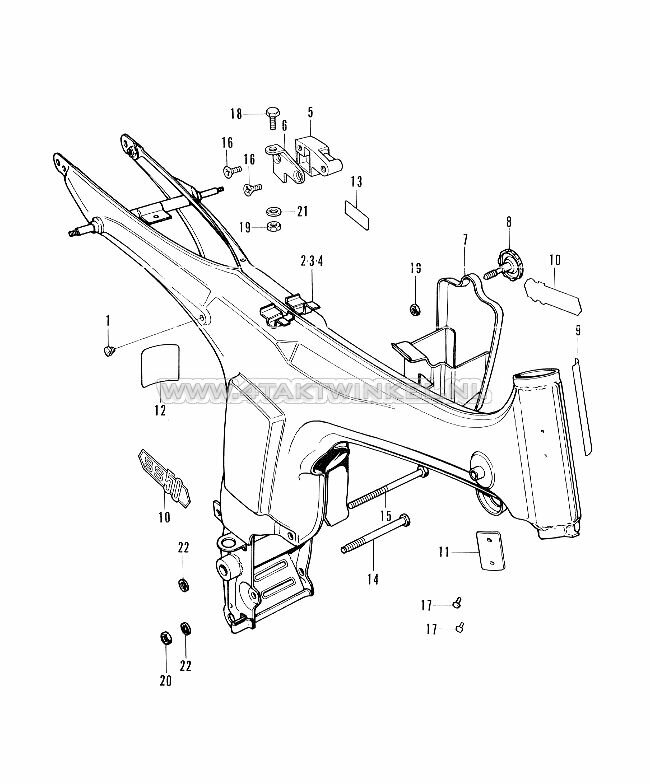
Click on the drawing for the list of corresponding parts.

The Dutch Honda SS50Z K3

The SS50Z K3 is the successor to the SS50Z K1 in the Netherlands. The K0 and K2 are more or less skipped for the Netherlands, but do occur in other countries. The K3 was delivered from 1973 to around 1978. Despite that, it may still be that you find a later delivered K3. Because Honda was left with a residual stock of SS50s in the late 70s, the anniversary version was conceived. These anniversary versions were provided with the now highly sought after anniversary tank, which in fidelity is a painted yellow, orange or green K3 tank.

Just like all other mopeds at that time, a moped must comply with a series of rules, so the SS50 has been adapted for the Dutch market.

 

Features of the Dutch Honda SS50Z K3

  • Frame number starts with SS50Z

  • After SS50Z, frame number always has 7 digits, so: SS50Z-1234567

  • Frame has an NL approval: B1220 (NL in circle next to it)

  • Pedal installation instead of fixed footrests

  • White area on the rear fender

  • Limiter in the ignition at 40 km / h

  • Green tank with yellow striping

  • Yellow tank with orange striping

  • Green tank with yellow striping

  • Anniversary tank

  • Long saddle, suitable for two people

  • Equipped with a bell (no horn)

  • 50cc 4-stroke engine

  • 4 speed, foot shifted, hand coupled

  • High exhaust

  • 6 volt electricity system

  • Hitachi ignition points

Do you have a Dutch SS50?

Then use the drawings above to find and order the correct parts to maintain, repair or restore your Honda SS50!

Don't have an SS50 yet?

Then have a look between our selection of used mopeds and the import from Japan to see if we have anything nice for sale for you!

We use cookies to enhance your browsing experience and analyze our website traffic. By clicking ‘Accept,’ you agree to our use of cookies.
Accept selected cookies Reject cookies