• Fast delivery
  • Free shipping from €75,-
  • More than 5000 parts in stock

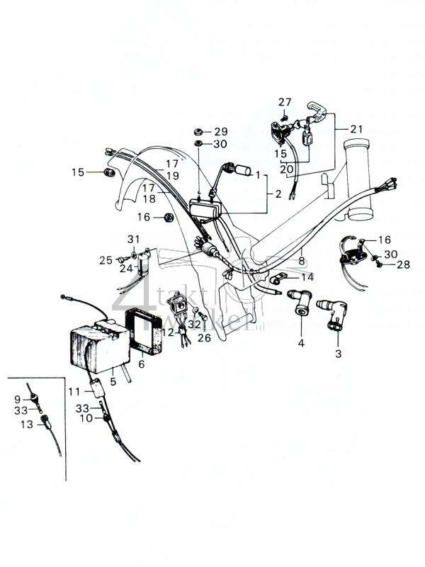
F13 - Wire Harness - Battery

F13 - Wire Harness - Battery
Collapse Expand
We use cookies to enhance your browsing experience and analyze our website traffic. By clicking ‘Accept,’ you agree to our use of cookies.
Accept selected cookies Reject cookies