• Fast delivery
  • Free shipping from €75,-
  • More than 5000 parts in stock

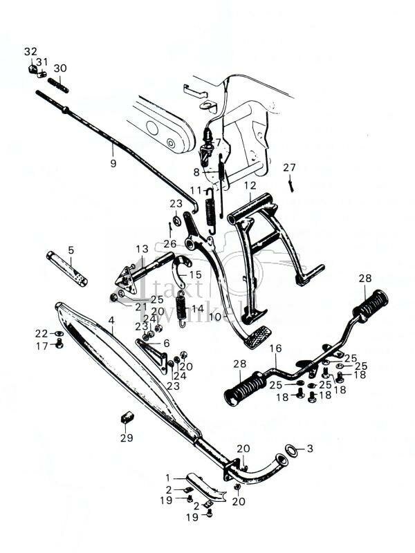
F7 - Stand - Step - Muffler

F7 - Stand - Step - Muffler
Collapse Expand
We use cookies to enhance your browsing experience and analyze our website traffic. By clicking ‘Accept,’ you agree to our use of cookies.
Accept selected cookies Reject cookies