• Fast delivery
  • Free shipping from €75,-
  • More than 5000 parts in stock

How to recognize the Mash Fifty Euro4?

The Mash Fifty Euro4 can be recognized by the black engine, the lambda probe in the exhaust and the electronically controlled carburettor.

The Mash Fifty Euro4 was available in red and matte black. Both came with a black engine. The red Mash Fifty Euro 4 came with chromed rims and the matte black one came with black rims.

In 2021, the Mash Fifty Euro4 was succeeded by the Euro5 variant. The Euro5 variant is characterized by its LED headlight and injection system instead of carburetor.
 

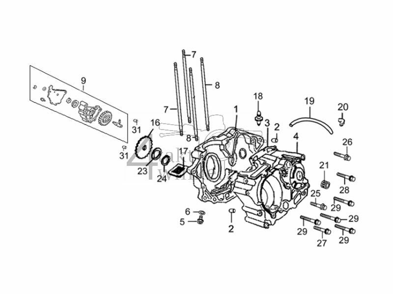
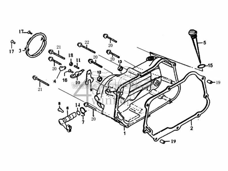
Many sold parts for the Mash Fifty

The most sold parts for the Mash Fifty are those used for regular maintenance:
  • 10W40 Semi-synthetic engine oil
  • Spark plug C7HSA from NGK
  • Chain and sprockets
These parts are easy to order via the partslists drawings. These parts are also often directly available from stock.
 

Availability of Mash Fifty parts

The most sold parts for the Mash Fifty are available from stock. If a part is not in stock, it can often be delivered within a few weeks because we work closely with the importer of Mash Motorcycles in the Netherlands.

We use cookies to enhance your browsing experience and analyze our website traffic. By clicking ‘Accept,’ you agree to our use of cookies.
Accept selected cookies Reject cookies